Fichtenknicker
ww-fichte
Ja moin!
Meine GTS635 leidet an dem mitunter bekannten "Wobbeln" wenn man das Blatt hoch- bzw runterkurbelt.
Das ich Spindel und/oder Aufnahme als Ursache sehe, wollte ich über meinen Verkäufer Ersatzteile erhalten.
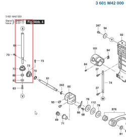
Jedoch sind weder er noch ich sicher, wo auf der Explosionszeichnung (https://www.boschtoolservice.com/at/de/boschprof/spareparts/gts-635-216-3601M42000) das Ersatzteil zu finden ist.
Meine Vermutung ist folgende
Hier
und hier
ist was nicht wirklich passend.
Hat damit schon jemand Erfahrungen?
Grüße und schöne WE!
Meine GTS635 leidet an dem mitunter bekannten "Wobbeln" wenn man das Blatt hoch- bzw runterkurbelt.
Das ich Spindel und/oder Aufnahme als Ursache sehe, wollte ich über meinen Verkäufer Ersatzteile erhalten.
Jedoch sind weder er noch ich sicher, wo auf der Explosionszeichnung (https://www.boschtoolservice.com/at/de/boschprof/spareparts/gts-635-216-3601M42000) das Ersatzteil zu finden ist.
Meine Vermutung ist folgende
Hier
und hier
ist was nicht wirklich passend.
Hat damit schon jemand Erfahrungen?
Grüße und schöne WE!